RU
UA

электрощитовое оборудование
cтроительство СЭС
электромонтажные работы

69063, Запорожье
ул. Академика Амосова, 107

+38 ‎(097) 519-48-92
+38 ‎(066) 731-24-96

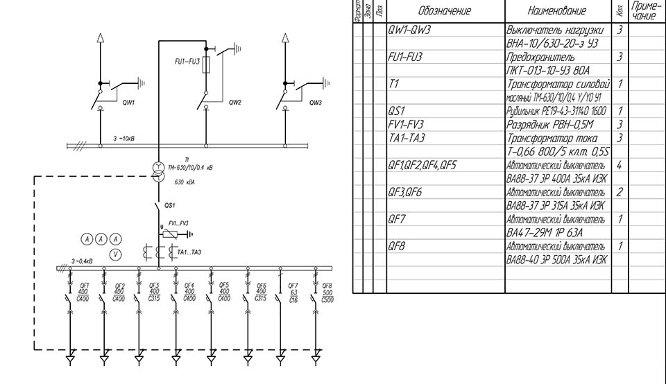
Комплектная трансформаторная подстанция типа КТПп

Комплектные трансформаторные подстанции проходного типа наружной установки, напряжением 10(6)/0,4 кВ, с кабельным вводом на стороне высшего напряжения (далее - ВН), с кабельным  выводом на стороне низшего напряжения (далее - НН) предназначены для приема электроэнергии (переменного трехфазного тока промышленной частоты) напряжением 10(6) кВ, преобразования её в электроэнергию напряжением 0,4 кВ и снабжения ею потребителей.

КТПп применяются для электроснабжения промышленных, сельскохозяйственных, коммунальных объектов в кольцевых или радиальных схемах распределительных сетей.

Нормальными условиями работы КТП являются:

  • высота над уровнем моря - не более 1000 м;
  • нижнее значение рабочей температуры воздуха - минус 45° С;
  • верхнее значение рабочей температуры воздуха - плюс 40° С;
  • относительная влажность воздуха - 80% при температуре плюс 20° С.




КТП пригодны для работы в условиях гололеда при толщине льда до 20 мм и скорости ветра до 15 м/с (при отсутствии гололеда - до 36 м/с).

Окружающая воздушная среда не должна содержать едких паров, пыли и газов в концентрациях, нарушающих работу КТП, а также разрушающих металлы и изоляцию.

КТПп состоит из отсека РУВН и отсека РУНН, которые установлены на одной раме. Отсек РУВН состоит из шкафа силового трансформатора, шкафа с коммутационной аппаратурой ввода и токопровода. Токопровод устанавливается на шкаф с коммутационной аппаратурой ввода. Отсек РУНН представляет собой шкаф с аппаратурой подключения отходящих линий.

Конструктивно  КТПп выполнена из стального каркаса и обшивки, обеспечивающих их механическую прочность, защиту от действия климатических факторов элемен¬тов электромонтажа и встроенных аппаратов с учетом их клима¬тического исполнения и категории размещения, а также требо¬вания по безопасному обслуживанию и эксплуатации.

Мы на карте

 

Разработка сайта Effective-studio