RU
UA

електрощитове обладнання
будівництво СЕС
електромонтажні роботи

69063, Запоріжжя
вул. Академіка Амосова, 107

+38 ‎(097) 519-48-92
+38 ‎(066) 731-24-96

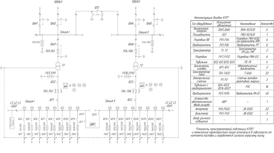
Комплектні двотрансформаторні підстанції у бетонній оболонці типу БКТП

Комплектні трансформаторні підстанції у бетонній оболонці прохідного і тупикового типу на напрузі до 10 кВ і потужністю 160, 250, 400, 630, 1000, 1600 кВА призначені для прийому, перетворення і розподілу електричної енергії трифазного змінного струму частотою 50 Гц при номінальній напрузі 0,4 кВ в одно-двох променевої і петлевий схемах електропостачання міських і сільськогосподарських об'єктів, а також будівельних майданчиків у районах з помірним кліматом (від -45 до +45 С).

ПЕРЕВАГИ ЗАСТОСУВАННЯ:

  • Повна заводська готовність;
  • Швидкий монтаж і введення в експлуатацію;
  • Компактність і сумісність з міською архітектурою;
  • Спрощення процедури землевідведення;
  • Можливість розширення однотрансформаторної підстанції (БКТП) до двохтрансформаторної (2БКТП) та більше шляхом додавання додаткових модулів;
  • Термін служби складає не менше 25 років.



Комплектація БКТП може змінюватися залежно від призначення, характеристики споживачів електричної енергії та конфігурації електричної мережі. У більшості випадків блокові підстанції системи електропостачання включають наступні функціональні компоненти:

  • високовольтні розподільні комірки з комутаційним обладнанням та пристроями захисту від аварійних режимів роботи;
  • спеціалізовані електричні шафи для забезпечення власних потреб підстанції (опалення, вентиляції, освітлення);
  • силові трансформатори для забезпечення зниження напруги і передання її споживачам;
  • низьковольтні розподільні клітинки, які забезпечують розподіл електричної енергії споживачам та захисту відхідних ліній;
  • кабельний або шинне введення високої напруги.

Варто врахувати, що трансформаторна підстанція, ціна якої формується виходячи з ринкової вартості комплектуючих деталей і пристроїв, не може мати ціну нижче сукупної вартості своїх складових. З цієї причини кожна БКТП виготовляється в суворій відповідності з опитувального листа та технічним завданням, які заповнюються замовником.

Блоки виготовляються з високоміцного залізобетону з наступними характеристиками:

  • клас бетону по міцності на стиск – В22,5 (400 кгс/см2);
  • марка бетону по морозостійкості – F100;
  • водонепроникність: W4

 

Умови експлуатації БКТП

БКТП в частині впливу кліматичних факторів зовнішнього середовища по ГОСТ 15150 і ГОСТ 15543.1 відносяться до кліматичного виконання УХЛ категорії розміщення 1 і експлуатуються в наступних умовах:

  • температура навколишнього повітря від мінус 40°С до плюс 40°С;
  • відносна вологість до 100% (без випадання інею і роси);
  • висота установки над рівнем моря не більше 1000 м;
  • навколишнє середовище вибухобезпечне, не містить струмопровідного пилу, агресивних газів і парів в концентраціях, що руйнують матеріали та ізоляцію;
  • атмосфера типів I, II.

Ми на мапi